
The Torah Scroll Motherboard is a System 12 Motherboard. 12 separate systems integrate together to create one functioning machine. All components necessary for machine function are present within the banner dataset. There is no need for any other data than what has been provided from Genesis, Exodus, Leviticus, and Numbers.
The words of the Torah Scroll were scripted in such a way to disguise components inside the text.
Understanding the motherboard is very simple:
1) A chemical reactor will generate power.
2) The power will be routed into 3 separate rechargeable batteries.
3) The rechargeable batteries power a central processing unit.
4) The central processing unit will retrieve data from R.O.M. chips via a data relay network.
5) The processed data from the central processing unit will be sent to a R.A.M. chip.
The goal of the Torah Puzzle Motherboard is to show the laws of God being processed within a central processing unit and saved into memory.
The next task will be to identify EVERY COMPONENT and show EVERY connection between components. We need to analyze the architectural arrangement of the sentences to understand the syntactic systems that are describing the components that are disguised within the text. This section of the website will show you the locations of each system and provide a mild explanation. I wrote a detailed book on how to identify the components and create the connections. It would be an exhaustive work for me to replicate all the information within this website. If you are interested in knowing more about the systems, connections, and functionalities of the components, purchase the book "Torah Puzzle Motherboard".
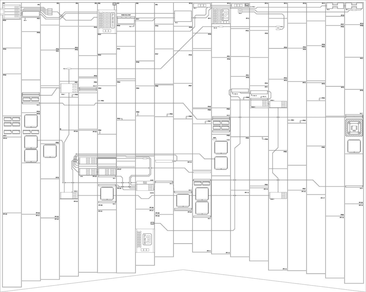
The image above shows the motherboard with all 12 systems being displayed.

System 1: Power Supply
The image above shows the power supply located at Genesis 1:1-19. The four days of creation are representing four banks of a chemical reactor that has a power cell within each bank. The words within each day of creation need to be analyzed to understand how a simplistic power cell can be created utilizing a cathode that is wrapping around an anode. An electrolytic compound will be deployed within the chemical reactor to transform the chemical potential to electrical potential. An electromotive force will be introduced within the circuit. A "jumper wire" is connected between Cell Bank #1 and Cell Bank #4. The jumper wire is denoting the circuit is wired in "Parallel". Therefore, an increase in amperage in the circuit. The increase in amperage will "quick charge" the three rechargeable batteries that are located on the motherboard.
System 2: Power Collector
The image above shows the left side of the power collector located at Genesis 2:10-14. Each of the four days of creation will respectfully link with the four rivers that flow out of Eden. The power supply will connect to the left side of the power collector thru these linkages:
<Gen 1:5 ONE> will link to <ONE at Gen 2:11>
<Gen 1:8 SECOND> will link to <SECOND at Gen 2:13>
<Gen 1:13 THIRD> will link to <THIRD at Gen 2:14>
<Gen 1:19 FOURTH> will link to <FOURTH at Gen 2:14>
The power that is being generated within the power supply is being gathered at the left side of the power collector. The block of text located at Genesis 2:10-14 is representing a busbar that is unifying the power. Think of it as a parallel circuit integrator. The integrated power (High Amperage) will then be deposited at the right side of the power collector; this is the power focal point. The power focal point is located at Gen 6:16. Noah is instructed to make the Arc with Second and Third decks. The busbar will connect to the power focal point thru these linkages:
<Gen 2:13 SECOND> will link to <SECOND at Gen 6:16>
<Gen 2:14 THIRD> will link to <THIRD at Gen 6:16>
Power is being generated within the power supply........integrated together at the left side of the power collector and focused at the right side of the power collector.

System 3: Power Distribution Network - Covenant Driven
The image above shows the power moving from the power supply thru a power distribution network that is created by linking together a series of power relays. The power relays all have to do with God making a covenant with a character within the Torah Scroll. This is why the power distribution network is called "Covenant Driven".
Here is a list of the power relays in the succession the power is moving through the network:
Power Relay 1 - Gen 6:17-20 - God talking about the covenant with Noah.
Power Relay 2 - Gen 9:8-11 - God establishing the covenant with Noah.
Power Relay 6 - Gen 17:1-8 - God establishing the covenant with Abraham
Power Relay 7 - Gen 17:15-22 - God will establish the covenant with Isaac.
Power Relay 8 - Gen 12:1-7 - To Abrams offspring God will give the land.
Power Relay 9 - Gen 28:13-15 - To Jacob and his offspring God will give this land.
Power Relay 10 - Gen 26:1-5 - To Isaac and his offspring God will give this land.
Power Relay 11 - Gen 35:11-13 - To Jacob and his offspring God will give this land.
Power Relay 1-2 have to do with God and a covenant with Noah.
Power Relay 6-11 have to do with God and a covenant to give away land.

System 4: Power Distribution Network - Module Driven
The image above shows the power moving thru a power distribution network that is created by linking together a series of power relay modules. The power relay modules are a small block of text that has the Hebrew name of God repeated 4 times within it. Power relay #11 is located directly above power relay module #1. Power relay #11 and power relay module #1 both have talk about God giving away the land. This is the connection to move power between networks. Covenant Driven transfers over to Module Driven. The power will then distribute through the network by the power relay module COMPONENT. The Hebrew name of God is what is transferring the power.
Here is a list of the power relay modules in the succession the power is moving through the network:
Power Relay Module 1 - Ex 6:2-8 - Talk about God giving the land to Abraham, Isaac, & Jacob.
Power Relay Module 2 - Lev 18:1-6 - Stay away from performing Egypt/Canaan traditions.
Power Relay Module 3 - Num 6:22-27 - Talk about the Priestly blessing.
Power Relay Module 4 - Ex 15:25-26 - Moses throws a tree into bitter waters.
Power Relay Module 5 - Ex 14:30-31 - Talk about God saving the people.
The image above shows the locations for all 8 power relay modules.
Power Relay Modules 1-5 will distribute the power to Power Storage System 2.
Power Relay Modules 6-8 will form the central processing unit.
The Data Relay Power Module is responsible for managing the data sent into the central processing unit.

The image above shows a close-up of the power relay module. The power relay module is a component on the motherboard that has God's name mentioned four times within a small block of text. The power relay module consists of four separate channels. There is a data register and a power relay within each channel. The data register is always located to the left side of the power relay. The data that is located to the left of the power relay signifies its pairing with the power relay. Every power relay within all power relay modules will be the name of God, the four Hebrew letters! God's name literally carries POWER!

System 5: Power Storage System 1
The image above shows the components that create Power Storage System 1. Power will move through a series of power relays into two rechargeable batteries. The batteries are a multi-cell power pack. Each battery is comprised of multiple cells that will store the power being supplied by the chemical reactor/power supply.
Here is a list of the power relays in the succession the power is moving through the network:
Power Relay 2 - Gen 9:1-11 - Dual Relay
Top - Gen 9:1-7 - Be fruitful and multiple - all moving things is food.
Bottom - Gen 9:8-11 - God establishing covenant with Noah.
Function: Power transfers from bottom of power relay into top of power relay.
Power Relay 3 - Gen 1:26-31 - Dual Relay
Top - Gen 1:26-27 - In the image of God, he created him. Male and female he created them.
Bottom - Gen 1:28-31 - Be fruitful and multiply - all herb and fruit is food.
Function: Power transfers from the top of Power Relay 2 into the bottom of Power Relay 3. The paragraphs are basically identical. This is the connection between power relays.
Battery 1 ( Genealogy Block )
Entry Point - Gen 5:1-2 - He created them male and female --> Adam
Battery Cell 1 - Gen 5:3-5 - Adam --> Seth
Battery Cell 2 - Gen 5:6-8 - Seth --> Enosh
Battery Cell 3 - Gen 5:9-11 - Enosh --> Kenan
Battery Cell 4 - Gen 5:12-14 - Kenan --> Mahalalel
Battery Cell 5 - Gen 5:15-17 - Mahalalel --> Jared
Battery Cell 6 - Gen 5:18-20 - Jared --> Enoch
Battery Cell 7 - Gen 5:21-24 - Enoch --> Methuselah
Battery Cell 8 - Gen 5:25-27 - Methuselah --> Lamech
Battery Cell 9 - Gen 5:28-31 - Lamech --> Noah
Exit Point - Gen 5:32 - 3 Part Header - Noah --> Shem, Ham, Japheth
Function: Power transfers from the top of Power Relay 3 into Battery 1. He created them male and female is the connection point. Power is then relayed to Adam. The power will then connect through each battery cell via father/son linkages.
Power Relay 4 - Double Father Power Relay with 3 Part Header - Gen 9:18-22 - Talk about the sons who came out of the arc and Ham being the father of Canaan repeated twice.
3 Part Header - Gen 9:18 - Shem, Ham, Japheth
Father 1 - Gen 9:18
Father 2 - Gen 9:22
Function: Power transfers from the exit point of Battery 1 at Shem, Ham, Japheth to Power Relay 4 - 3 Part Header Shem, Ham, Japheth. Shem, Ham, Japheth is the connection point. The power will then flood the entirety of Power Relay 4.
Power Relay 5 - Double Father Power Relay with 3 Part Header - Gen 11:27-30 - Talk about the sons of Terah and Haran being the father of Milcah and the father of Iscah.
3 Part Header - Gen 11:27 - Abram, Nahor, Haran
Father 1 - Gen 11:29
Father 2 - Gen 11:29
Function: Power transfers from Power Relay 4 into Power Relay 5. The "Double Fathers" is the connection point.
Battery 2 ( Genealogy Block )
Entry Point - Gen 11:26 - 3 Part Header - Abram, Nahor, Haran --> Terah
Battery Cell 1 - Gen 11:24-25 - Terah --> Nahor
Battery Cell 2 - Gen 11:22-23 - Nahor --> Serug
Battery Cell 3 - Gen 11:20-21 - Serug --> Reu
Battery Cell 4 - Gen 11:18-19 - Reu --> Peleg
Battery Cell 5 - Gen 11:16-17 - Peleg --> Eber
Battery Cell 6 - Gen 11:14-15 - Eber --> Shelah
Battery Cell 7 - Gen 11:12-13 - Shelah --> Arpachshad
Battery Cell 8 - Gen 11:10-11 - Arpachshad
Function: Power transfers from Power Relay 5 into Battery 2. Abram, Nahor, Haran is the connection point. Power is then relayed to Terah. The power will then connect through each battery cell via father/son linkages. The power is transferring from the bottom of the battery to the top of the battery. The total years the father lived has been removed from the battery cells within Battery 2.

The image above shows the power transferring from the Power Supply to Battery 2.

The image above shows the power transferring from Battery 1 --> Power Relay 4 --> Power Relay 5 --> Battery 2.

System 6: Power Storage System 2
The image above shows the components that create Power Storage System 2. Power will move through a series of power relays into a rechargeable battery. The battery is a multi-cell power pack. The battery is comprised of multiple cells that will store the power being supplied by the chemical reactor/power supply.
Here is a list of the power relays in the succession the power is moving through the network:
Power Relay 12 – Ex 14:29 – The water was a wall for them, on their right and on their left.
Function: Power transfers from Power Relay Module 5 into Power Relay 12. There is no distinct or significant word or phrase to link the power from Power Relay Module 5 into Power Relay 12. It is transferring the power identical to the internals described for Power Relay 2 and Power Relay 3 within Power Storage System 1. The power transfers due to the power relays touching one another.
Power Relay 13 – Ex 14:22-23 – Dual Relay
Top – Ex 14:22 – The water was a wall for them, on their right and on their left.
Bottom – Ex 14:23 – Egypt pursued and went after them. Every horse of Pharaoh, his chariots, his horsemen, into the sea.
Function: Power transfers from Power Relay 12 into Power Relay 13.
The talk about the water being a wall for them, on their right and on their left, is the connection point.
Power Relay 14 – Ex 14:8-9 – Dual Relay
Top – Ex 14:8 – The children of Israel going out with boldness.
Bottom – Ex 14:9 – Egypt pursued and overtook them. All the horses and chariots of Pharaoh, his horsemen and army.
Function: Power transfers from Power Relay 13 into Power Relay 14.
The talk about Pharaohs horses, chariots, and horsemen is the connection point.
Battery 3 ( The Summary of the Journey )
Entry Point – Num 33:3-5 – The children of Israel going out with boldness --> Succoth
Battery Cell 1 – Num 33:6 – Succoth --> Etham
Battery Cell 2 – Num 33:7 – Etham --> Pi-hahiroth
Battery Cell 3 – Num 33:8 – Pi-hahiroth --> Marah
Battery Cell 4 – Num 33:9 – Marah --> Elim
Battery Cell 5 – Num 33:10 – Elim --> Sea of Reeds
Battery Cell 6 – Num 33:11 – Sea of Reeds --> Wilderness of Sin
Battery Cell 7 – Num 33:12 – Wilderness of Sin --> Dophkah
Battery Cell 8 – Num 33:13 – Dophkah --> Alush
Battery Cell 9 – Num 33:14 – Alush --> Rephidim
Battery Cell 10 – Num 33:15 – Rephidim --> Wilderness of Sinai
Battery Cell 11 – Num 33:16 – Wilderness of Sinai --> Kibroth-hattaavah
Battery Cell 12 – Num 33:17 – Kibroth-hattaavah --> Hazeroth
Battery Cell 13 – Num 33:18 – Hazeroth --> Rithmah
Battery Cell 14 – Num 33:19 – Rithmah --> Rimmon-perez
Battery Cell 15 – Num 33:20 – Rimmon-perez --> Libnah
Battery Cell 16 – Num 33:21 – Libnah --> Rissah
Battery Cell 17 – Num 33:22 – Rissah --> Kehelathah
Battery Cell 18 – Num 33:23 – Kehelathah --> Mount Shepher
Battery Cell 19 – Num 33:24 – Mount Shepher --> Haradah
Battery Cell 20 – Num 33:25 – Haradah --> Makheloth
Battery Cell 21 – Num 33:26 – Makheloth --> Tahath
Battery Cell 22 – Num 33:27 – Tahath --> Terah
Battery Cell 23 – Num 33:28 – Terah --> Mithkah
Battery Cell 24 – Num 33:29 – Mithkah --> Hashmonah
Battery Cell 25 – Num 33:30 – Hashmonah --> Moseroth
Battery Cell 26 – Num 33:31 – Moseroth --> Bene-jaakan
Battery Cell 27 – Num 33:32 – Bene-jaakan --> Hor-haggidgad
Battery Cell 28 – Num 33:33 – Hor-haggidgad --> Jotbathah
Battery Cell 29 – Num 33:34 – Jotbathah --> Abronah
Battery Cell 30 – Num 33:35 – Abronah --> Ezion-geber
Battery Cell 31 – Num 33:36 – Ezion-geber --> Kadesh
Battery Cell 32 – Num 33:37 – Kadesh --> Mount Hor
Battery Cell 33 – Num 33:41 – Mount Hor --> Zalmonah
Battery Cell 34 – Num 33:42 – Zalmonah --> Punon
Battery Cell 35 – Num 33:43 – Punon --> Oboth
Battery Cell 36 – Num 33:44 – Oboth --> The Ruins
Battery Cell 37 – Num 33:45 – The Ruins --> Dibon-gad
Battery Cell 38 – Num 33:46 – Dibon-gad --> Almon-diblathaimah
Battery Cell 39 – Num 33:47 – Almon-diblathaimah --> Mountains of the passes
Battery Cell 40 – Num 33:48 – Mountains of the passes --> In the plains of Moab, by the Jordan, at Jericho
End Point – Num 33:49 - Twist – By the Jordan, in the plains of Moab.
Function: Power transfers from Power Relay 14 into Battery 3. The children of Israel going out with boldness is the connection point. Power is then relayed to Succoth. The power will then connect through each battery cell via "previous journey" linkages. The bottom of Battery 3 has a 3 Part Header just as Battery 1 and Battery 2. The design of all three batteries is consistent. Battery 2 had "Battery Cell Reduction" compared to Battery 1. Battery 3 has further "Battery Cell Reduction" compared to Battery 2. A majority of the battery cells only list the locations where the children of Israel camped. They do not go into detail on what the children of Israel did at the locations. The power line in Battery 3 will terminate with a twist. In the plains of Moab, by the Jordan will be reversed. The phrase is mentioned in Num 33:48 and then immediately reversed in Num 33:49. The data relay network will terminate with a twist. All of these interesting features lead to the understanding that ONE ENGINEER mindset was consistently abiding by strict rules when designing all aspects on the motherboard.

The image above shows the complete circuit pathway the power travels from the Power Supply to Battery 3. Power begins at the BEGINNING of the jigsaw puzzle and power is terminated at the END of the jigsaw puzzle.

System 7: Power Regulators
Power regulators are a feature on the motherboard that reduces the strength of the power that is being sent into the central processing unit and the data relay power module.
The image above is showing power transferring out from Power Relay Module 2: Channel 2 and moving into Power Relay Module 6: Channel 1. The data register in both “power relay module channels” has text where God is telling the children of Israel to not follow the traditions of the Canaanites. This is the link between the power relays. Lev 18:3 --> Lev 18:30
The power relay module will equally divide the power it is receiving and assign the divided power to each of its power relays. The image above shows the power being equally divided as the power moves through the central processing unit towards the data relay power module.
Purchase the book "Torah Puzzle Motherboard" to have a deeper understanding of all aspects pertaining to power regulators.

System 8: Central Processing Unit
The central processing unit is a component on the motherboard responsible for power distribution, data retrieval, data processing, and data transfer. The central processing unit on the Torah Puzzle Motherboard will be revealed fetching, decoding, and executing data pertaining to the laws of God. The Torah Puzzle Motherboard is a machine that is processing the laws of God!
The image above shows the location of the central processing unit.

Component 9 Architecture
Listed below are the 9 components that create the infrastructure of the Central Processing Unit:
1) Power Relay Module 6 – Lev 18:30/Lev 19:1-4
2) Expansion Block 1 – Lev 19:5-8
3) Expansion Block 2 – Lev 19:9-10
4) Power Relay Module 7 – Lev 19:11-18
5) Power Relay Module 8 – Lev 19:31-36
6) Expansion Block 3 – Lev 19:29-30
7) Expansion Block 4 – Lev 19:26-28
8) Expansion Block 1 Mate – Lev 19:23-25
9) Data Compiler – Lev 19:20-22
Listed below are the exterior mates to the components on the Central Processing Unit:
A) R.A.M. – Ex 34:11-26
B) Data Relay Power Module: Channel 1 – Lev 22:29-30
C) Expansion Block 2 Mate – Lev 23:22
D) Expansion Block 3 Mate – Lev 26:2
E) Expansion Block 4 Mate – Lev 21:5
See the above image to identify the C.P.U. components, Expansion Blocks, and Expansion Block Mates.


System 9: Data Relay Network
The Data Relay Network is responsible for sending data to the Central Processing Unit. The Data Relay Network is created by Daisy Chaining together a series of data relays. The daisy chain links to 10 data relay headers that receive data from R.O.M. chips located below the data relay header. In our case, the data being transmitted through the Data Relay Network is being taken from the narrative that is recorded within the Torah Scroll. The data relay header is created from a particular repetition of a phrase. The common phrases will link together to form the daisy chain. Top headers and bottom headers will encapsulate the data that is being quarantined for data retrieval. Not all data relay headers in the daisy chain have bottom headers.
Data header extensions will be placed below Data Relay Header 7, Data Relay Header 8, and Data Relay Header 9. A data header extension will be a new phrase that creates a new link for the daisy chain to extend its network.
Data Relay Power Module
The Data Relay Power Module is responsible for managing the transmission of data on the motherboard. Data will be retrieved from Read Only Memory, R.O.M. and be sent into the Data Relay Power Module. The data will then be sent into the Central Processing Unit. The Data Relay Network will link to the channels within the Data Relay Power Module. The data relay power module is labeled in the above image.
Data Relay Power Module – Lev 22:29-33 – Talk about a series of laws to observe.
Channel 1 – Lev 22:29-30
Channel 2 – Lev 22:31
Channel 3 – Lev 22:32
Channel 4 – Lev 22:32-33
System 10 Data Relay Network
Listed below are the 10 data relays that create the daisy chain for the Data Relay Network:
1) Data Relay 1 – Top Header – Lev 19:36 – Who took you out of the land of Egypt
2) Data Relay 2 – Top Header – Lev 20:8 – Observe decrees and follow them
Bottom Header – Lev 20:22 – Observe decrees and follow them
3) Data Relay 3 – Top Header – Lev 23:43 – Hashem took you out of the land of Egypt
4) Data Relay 4 – Top Header – Lev 25:42 – Hashem took you out of the land of Egypt
Bottom Header – Lev 25:55 – Hashem took you out of the land of Egypt
5) Data Relay 5 – Top Header – Lev 26:13 – Hashem took you out of the land of Egypt
Bottom Header – Lev 26:45 – Hashem took you out of the land of Egypt
6) Data Relay 6 – Top Header – Lev 11:45 – Hashem took you out of the land of Egypt
7) Data Relay 7 – Top Header – Ex 20:2 – Hashem took you out of the land of Egypt
Extender – Ex 20:2 – House of servitude
8) Data Relay 8 – Top Header – Ex 13:3 – House of servitude
Extender – Ex 13:5 – Milk and honey
Bottom Header – Ex 13:14 – House of servitude
9) Data Relay 9 – Top Header – Ex 3:8 – Milk and honey
Extender – Ex 3:10 – Moses takes my people out of the land of Egypt
Bottom Header – Ex 3:17 – Milk and honey
10) Data Relay 10 – Top Header – Ex 6:26 – Aaron and Moses takes the children of Israel out
of the land of Egypt
Bottom Header – Ex 6:27 – Moses and Aaron takes the children of Israel
out of the land of Egypt
[ TRANSMISSION SEALED SHUT ] Data line closed with a twist in the line*
* - Exact same method used to terminate the power line at Power Storage Battery 3.
The individual data relays are labeled in the above image.

System 10: Read Only Memory - R.O.M.
Read Only Memory/R.O.M. is a type of computer memory chip that stores data that can only be read. The data that is stored on the R.O.M. computer chip cannot be erased or replaced with new data. R.O.M. computer chips are necessary for computer operations. R.O.M. computer chips contain the instructions to boot up the computer and run the computer programs. The Data Relay Network links to 10 data relay headers that receive data from R.O.M. computer chips that are located below the data relay headers.
Listed below are the Torah Scroll verses that create each R.O.M. computer chip associated to its data relay: The R.O.M. locations are numbered in the above image.
1) Data Relay 1 – N/A – C.P.U. connection point
2) Data Relay 2 – Lev 20:8-21
3) Data Relay 3 – Lev 23:44*
4) Data Relay 4 – Lev 25:43-54
5) Data Relay 5 – Lev 26:14-44
6) Data Relay 6 – *
7) Data Relay 7 – Ex 20:3-14
8) Data Relay 8 – Ex 13:4-13
9) Data Relay 9 – Ex 3:9-16
10) Data Relay 10 – Line Terminated
* = See the book "Torah Puzzle Motherboard" for a deeper explanation

System 11: Random Access Memory - R.A.M.
The image above shows the Random Access Memory chip located at Ex 34:11-26. Random Access Memory/R.A.M. is a type of computer memory chip that stores data that can be erased or replaced with new data. R.A.M. computer chips are necessary for computer operations. R.A.M. computer chips store the data that was generated within the central processing unit. It is called Random Access Memory because the data can be stored in random order on the memory chip. There is only one Random Access Memory chip on the motherboard. The Random Access Memory chip has seven individual cells within its array. See the book "Torah Puzzle Motherboard" for full explanation of "7 Cell Array Architecture".
System 12: Cache Memory
The image above shows the Cache Memory chip located at Lev 22:26-28. Cache Memory is a type of computer memory chip that stores frequently accessed data. The cache memory computer chip is usually a smaller and faster computer memory chip that sits between the central processing unit and the Random Access Memory computer chip. Cache memory works by storing copies of data that have been frequently accessed from Read Only Memory. Storing the data in a separate location reduces the time it takes for the central processing unit to access the data from Read Only Memory which allows for faster data retrieval and improved system performance.
The data loaded in the cache memory computer chip is located at Ex 22:29. Ex 22:29 tells about an ox or the flock being with its mother for seven days and then on the eight day it may be presented to God. What is amazing about the cache memory computer chip is that it is located DIRECTLY ON TOP of the Data Relay Power Module! The Data Relay Power Module is responsible for managing the transmission of data on the motherboard. The data stored in the cache memory computer chip will quickly transfer into the Data Relay Power Module. The data will then be sent into the central processing unit!
The Question: The data that is stored in the cache memory computer chip tells about the age of when an ox, sheep, or goat would be acceptable for a fire offering. Why would this data be HIGHLY IMPORTANT to God?
The Answer: God mentions the Pleasing Aroma 38 times within the Torah Scroll. A good majority of the data that creates the Torah Puzzle is somehow related to the service of the burnt offering. The day when an animal would be acceptable for a fire offering might not be important to you, but remember; we are viewing God’s motherboard and reviewing the data that is important to God. In a way, the data in the cache chip is revealing to the viewer God’s “Heart of Hearts”! Think of the cache chip as the “Crown” and the data sitting within the cache chip as the “Crown Jewel”!
All 12 systems have been identified along with providing a mild explanation of system functions. The book "Torah Puzzle Motherboard" will go into a more detailed explanation of all topics along with describing C.P.U. operations, R.A.M. operations, and Motherboard operations.
Motherboard Operations:
Step 1 - Electrolytic compound is deployed
Step 2 - Chemical reaction occurs
Step 3 - Power is generated and unified
Step 4 - Power distributes through the network
Step 5 - Batteries begin charging - C.P.U. operations begin
Step 6 - Data can now be retrieved from R.O.M.
Step 7 - Data can now be saved to R.A.M.
Step 8 - Batteries reach 100% capacity
Step 9 - Electrolytic compound is completely consumed
Step 10 - C.P.U. operations are now powered by power storage batteries
The video shows red electrolytic compound being introduced into the chemical reactor. The chemical reaction occurs, and an electromotive force is generated. The power is unified into a high amperage current. The yellow ball represents the power as it is sent down the Power Distribution Network - Covenant Driven. Power relays turn "Blue" as the power ignites the power relays.
The power will then feed into the Power Distribution Network - Module Driven. Power relays turn "Blue" as the power ignites the power relays. The power will then charge Battery #3.
The beginning of the animation shows the power splitting when the power hits power relay #2. The power is being routed to charge Battery #1 and Battery #2. Battery cell indicators turn "Blue" as the power charges the individual battery cells. The power is decreased as the power goes through the Power Regulators.
Power relays turn "Blue" as the power ignites the power relays within the Central Processing Unit and the Data Relay Power Module. Data will now be retrieved from R.O.M. through the Data Relay Network. The Central Processing Unit will process the data and then save the data onto the R.A.M. chip.
The electrolytic compound will decrease with each pulse of its process. The electrolytic compound will be completely consumed. Power will then drain from Battery #1 to keep the C.P.U. operational. Battery #1 cell indicators will decrease with each cycle of power draw.